石家庄j9.com真空泵科技有限公司
联系人 :屈经理
手 机 :15710325899
电 话 :0311-80770277
邮 箱 :sjzxingyao@163.com
网 址 :www.xyzkbkj.com
地 址 :河北省石家庄市裕华区建设南路269号
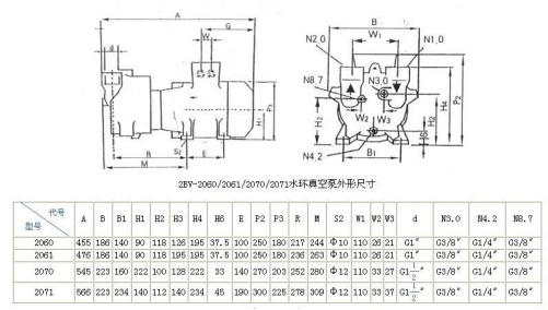
水环真空泵的规格和型号
水环真空泵规格型号多样,种类也很多,不同的型号它们可能使用场合都不太一样,作为良好的抽气以及产生真空的设备,我们在选择之前可以先来了解一下它们的规格型号,然后做出合理地选择:

1、2BA型:该类水环真空泵多用于抽除气体和水蒸气,吸气压力可以达到33mbar绝压,当真空泵在吸气压力接近极限真空下长期工作时,应联接气蚀保护管,以对泵进行保护并消除气蚀声。
2、2BE型:通常用于抽吸不含固体颗粒、不溶于水、无腐蚀性的气体,以便在密闭容器中形成真空和压力。
3、2SK型:相当于2台SK系列水环真空泵串联使用。
4、SK型:该类泵及压缩机是用来抽吸或压送空气和其它无腐蚀性、不溶于水、不含有固体颗粒的气体,以便在密闭的容器中形成真空和压力,满足工艺流程要求。
5、SK型直联泵:包含SK-0.4、SK-0.8、SK-1.0、SK-1.5B四个规格,是用来抽吸空气和其它无腐蚀性、不溶于水、不含有固体颗粒的气体,以便在密闭容器中形成真空。
从以上介绍中我们了解到的就是水环真空泵的规格型号有很多种,因为规格型号不一样,所以说它们默认设置的参数也可能不太一样,应用场合,使用要求上也可能有一些差异。
上一条: 水环真空泵规格型号
下一条: 选择真空泵所要考虑的事项

